Skan Holz Prístrešok na auto Wallgau orech, červené šindle, 380 x 500 cm
Číslo výrobku 2083830Opis výrobku
Číslo výrobku 2083830
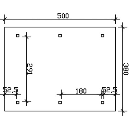
Prístrešky Skan Holz Wallgau chránia Váš automobil pred poveternostnými vplyvmi. Sú vyrobené z impregnovaného dreva ihličnatého stromu so stĺpikmi o rozmere 11,5 x 11,5 cm a dodávané vrátane ukotvenia H na zabetónovanie, ktoré poskytuje trvalé a bezpečné spojenie prístrešku so zemou. Maximálne snehové zaťaženie tohto prístrešku je 2,00 kN/m2. Spravidla postačí zaťaženie 0,75 kN/m2. Vyššie zaťaženie snehom je vyžadované iba vo vyšších nadmorských výškach.
Konštrukcia
Konštrukcia prístrešku je vyrobená z impregnovaného dreva ihličnanu. Masívne smrekové alebo borovicové drevo, ktoré nie je technicky vysušené, získava zelenkavú farbu vďaka soliam kovov rozpusteným v impregnačnom prostriedku. Tieto soli chránia drevo proti napadnutiu hubami a hmyzom, neposkytujú však ochranu proti UV žiareniu. Vďaka impregnácii má drevo vyššiu zvyškovú vlhkosť. Pri následnom vysychaní môže dochádzať k úniku živice, krúteniu alebo vzniku trhlín, čo podčiarkuje prírodnú povahu použitých materiálov.
Farebná úprava:
Nafarbené časti sú opatrené vysoko kvalitnou lazúrou alebo farbou, ktorá chráni drevo proti modraniu, poškodeniu UV žiarením, obmedzuje rednutie a napučanie. Diely sú pri výrobe zo všetkých strán dvakrát polievané lazúrou a následne okartáčované. Ihneď po dodaní tak môžete začať so stavbou. Odpadá tak únavné penetrovanie a natieranie.
V každom balení je priložené určité množstvo farby alebo lazúry na opravy. To využijete najmä pri poškodení alebo pri rezoch a skrutkových spojoch potrebných na montáž.
Pokiaľ chcete povrch ešte dodatočne vylepšiť, môžete ešte povrch prebrúsiť a potom natrieť kvalitnou lazúrou alebo farbou. Vyberte si z veľkého množstva farebných lakov a farieb!
Zobrazenie farieb na fotografii sa môže mierne líšiť od skutočnosti. Stopy od opier dielov s celoplošným farebným náterom, sú technologicky dané.
Strešná krytina
Prístrešky sú dodávané vo variante so šindľami a bez šindľov. Prístrešky sú opatrené 19 mm debnením z masívneho dreva.
Ukotvenie:
60 cm dlhé H-kotvy z pozinkovanej ocele na zabetónovanie do vlastného bodového základu sú súčasťou balenia.
Informácie o výrobcovi
SKAN HOLZ Europe GmbH
Im Alten Dorfe 10
21227 Bendestorf
info@skanholz.com
4018211037315
Technické špecifikácie
| Vlastnosti výrobku | |
|---|---|
| Základná plocha: | 19 m² |
| Druh: | Samostatný prístrešok pre auto |
| Hrúbka stĺpa: | 11,5 x 11,5 cm |
| Zakrytie strechy: | Strešné šindle |
| Šírka čelný pohľad: | 380 cm |
| Výška vrcholu: | 313 cm |
| Šírka vjazdu: | 291 cm |
| Výška vjazdu: | 215 cm |
| Farba: | Orech |
| Druh dreva: | Drevo z ihličnanov |
| Materiál konštrukcie: | Drevo |
| Opracovanie povrchu: | Lazúrovaná |
| Zaťaženie snehom: | 200 kg/m² |
| Forma strechy: | Hrot |
| Smer sklonu strechy: | Na stranu |
| Materiál strechy: | Drevo |
| Hrúbka strechy: | 20 mm |
| Počet požadovaných základov: | 6 základov |
| Odtok vody: | Bez dažďového žliabka |
| Rozmery a hmotnosť (netto) | |
|---|---|
| Hmotnosť: | 762,0 kg |
| Výška: | 3,13 m |
| Šírka: | 3,80 m |
| Hĺbka: | 5,00 m |















